Not Rated Yet
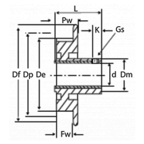
PP40-MXL-025I - 0.08 inch Pitch 40 Tooth Pilot Bore Polycarbonate (Glass Filled) Timing Pulley with Brass Insert
Equivalent to: PP40MXL025I
£14.23
ex VAT
Price Breaks
| Quantity | Prices |
|---|---|
| 3+ | £12.66 each |
| 5+ | £11.95 each |
| 9+ | £11.81 each |
| 19+ | £11.67 each |
| 49+ | £11.52 each |
| 74+ | £11.38 each |
| 99+ | £10.67 each |
| 199+ | £10.53 each |
| 249+ | £10.39 each |
| 499+ | £10.24 each |
| 999+ | £9.96 each |
In Stock









